欢迎访问皓富电子官网!耳机插座,USB连接器生产厂商

皓富电子科技

HaoFu Electronic Technology

专业精密插座连接器一站式服务商

十多年行业经验 , 高品质耳机插座生产厂商

USB-IF:14146
USB协会会员单位

客户咨询热线

13790497808

400-220-595

主营:耳机插座,DC插座、轻触开关,检测开关,拨动开关等

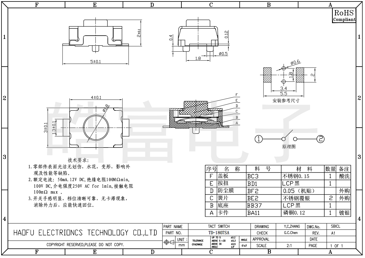
规格:L4.0*W3.0*H2.0

型号:TD-1807SA 无柱

包装:2000PCS/盘

寿命:50000次

   我们可以配合各企业客户的需求,为客户研发各类电子开关,插座,连接器。
并在历年的开发过程中积累了宝贵的经验。近年来,公司不断改进生产工艺,
增加配套设备,以满足客户的最终要求。手机立体设计、CD机、无线电话、
MP3机数字化笔记本电脑、DVD、数码相机。

主要技术规格:
1.额定值:50mA DC12V
2.接触电阻:100mΩ
3.操作力: 180/250gf士50gf
4.行程:0.25土0.1mm
5.绝缘电阻:100MΩ
6.抗电强度:250V 50HZ 1Min.
7.寿命:50000Cycles
两脚贴片立式小龟贴片轻触开关无柱
两脚贴片立式小龟贴片轻触开关无柱
 尺寸图片
 产品详细
   我们可以配合各企业客户的需求,为客户研发各类电子开关,插座,连接器。
并在历年的开发过程中积累了宝贵的经验。近年来,公司不断改进生产工艺,
增加配套设备,以满足客户的最终要求。手机立体设计、CD机、无线电话、
MP3机数字化笔记本电脑、DVD、数码相机。

主要技术规格:
1.额定值:50mA DC12V
2.接触电阻:100mΩ
3.操作力: 180/250gf士50gf
4.行程:0.25土0.1mm
5.绝缘电阻:100MΩ
6.抗电强度:250V 50HZ 1Min.
7.寿命:50000Cycles
 应用领域
咨询 咨询

电话

固定电话

0769-83519287

陈先生

137-9049-7808

黄小姐

134-8046-8697

范先生

138-0245-0058

微信

二维码

扫一扫关注微信